Start Bootstrap Logo

Trends Sci. 2025; 22(5): 9589


Revolutionizing Lead (II) Ion Removal from Water: Eco-Friendly Composite Film with Graphene Oxide and Bacterial Cellulose


Tuan Anh Nguyen


Faculty of Chemical Technology, Hanoi University of Industry, Hanoi 10000, Vietnam


(Corresponding author’s e-mail: [email protected])


Received: 23 December 2024, Revised: 11 February 2025, Accepted: 18 February 2025, Published: 20 March 2025


Abstract

Bacterial cellulose (BC), produced through the natural fermentation of coconut water, is composed of 1-dimensional (1D) nanofibers with remarkable mechanical properties. Within this study, a novel composite material was synthesized by combining bacterial cellulose with graphene oxide (GO) to create an eco-friendly and highly effective adsorbent for the removal of Pb(II) heavy metal ions from water. The research employed a systematic methodology, including the synthesis of BC/GO composites with varying fabrication ratios. Advanced characterization techniques were utilized to analyze the properties of the composites: scanning electron microscopy (SEM) for structural observation, thermogravimetric analysis (TGA) for thermal stability assessment, Fourier-transform infrared spectroscopy (FTIR) for chemical bonding identification, and atomic absorption spectrophotometry (AAS) for quantifying Pb(II) ion adsorption capacity. The results demonstrated the successful fabrication of BC/GO composites featuring a nanostructure with intertwined BC nanofibers and GO layers. These composites exhibited impressive mechanical strength and a high adsorption efficiency for Pb(II) ions, exceeding 90 % at an optimal pH of 5. Notably, the BC/GO composite with a fabrication ratio of 1:7 showed superior structural and thermal properties, with a maximum adsorption capacity of 315.5 mg g⁻¹. The findings highlight the potential of BC/GO composites as high-performance, eco-friendly adsorbents for heavy metal removal. The combination of BC and GO provides a robust material with excellent adsorption capacity and mechanical properties, paving the way for future applications in water purification technologies. This revised abstract is structured to ensure clarity and logical flow, presenting the study’s key aspects concisely. The methodology has been clearly described, and typographical issues have been corrected.


Keywords: Bacterial cellulose, Adsorption, Graphene oxide, Nanocomposites


Introduction

In industrial fields such as metallurgy, pharmaceuticals, the chemical industry, and petrochemical refining, the release of heavy metal ions poses a serious threat to humans, aquatic life, and other living organisms. Metal ions such as lead (Pb²⁺), zinc (Zn²⁺), cadmium (Cd²⁺), manganese (Mn²⁺), silver (Ag⁺), and mercury (Hg²⁺) have been listed as priority pollutants by the Environmental Protection Agency (EPA) [1]. Among them, there are metal ions Pb2+ in high concentrations in drinking water, which will affect human health such as anemia and degeneration of the nervous system [2]. Various technologies are employed for the removal of heavy metal ions from contaminated water, including reverse osmosis, ultrafiltration, ion exchange, coagulation, flotation, chemical precipitation, electrolysis, collection and evaporation recovery, as well as absorption processes (both absorption and adsorption), among other treatment methods [2-5]. However, challenges such as complex protocols and the release of toxic wastes during synthesis have necessitated the development of a more efficient and less harmful process that specifically enhances mass transport for the removal of large amounts of pollutants, with adsorption emerging as a non-toxic, low-cost, simple, flexible, and rapid method [6]. Many research reports have revealed new adsorbents for heavy metal ions, including inorganic materials, biosorbents, and activated carbon, with adsorption being the most effective method for removing these contaminants from aqueous systems since metal ions cannot be degraded by chemical reactions or biological processes [7-10].

Among various bio-based adsorbents, bacterial cellulose (BC) has gained significant attention due to its unique nanofiber structure, high surface area, and excellent mechanical properties, making it a promising material for heavy metal ion removal. Bacterial cellulose has a structure similar to natural cellulose but possesses several advantageous properties, such as high strength, elasticity, low water permeability, and surface smoothness. BC has been extensively studied and applied in various fields, including medicine, food packaging, and adsorption [2,3,11-21]. Graphene oxide (GO) with structure with functional groups such as hydroxyl, carbonyl, carboxyl and epoxite on the surface, allowing them to create strong complexes with metal ions. So graphene oxide acts as a adsorbent for heavy metal ions, organic solvents, dyes and oil removal and pre-concentrated processes [4,22-28]. Alfred Mensah and colleagues have successfully developed nanocomposite materials based on the GO/BC system for Pb(II) adsorption, achieving over 90% removal efficiency at pH 6 - 8 [29]. Additionally, several research groups have fabricated nanocomposite films using GO/BC, demonstrating high mechanical properties and the ability to adsorb heavy metal ions [30-32]. Unlike previous studies, this research further enhances the adsorption efficiency by optimizing the composite structure and functionalization, thereby improving both selectivity and capacity for Pb(II) removal. Moreover, the study explores the scalability and practical applicability of the material, contributing to the advancement of eco-friendly and efficient water purification technologies.

Heavy metal pollution, particularly lead (Pb²⁺), in water is a serious environmental issue that requires effective and sustainable treatment solutions. Several previous studies have proposed methods to improve water quality, including the NFT aquaponics system, which has been shown to reduce ammonia levels by 85 - 92 % and nitrate levels by 78 - 85 % in wastewater from tilapia farming Deswati et al [33,34]. Aquaponics systems combined with biofloc have been demonstrated to enhance water quality and promote the growth of aquatic plants, such as Samhong mustard, due to their ability to effectively adsorb excess nutrients and heavy metals Deswati et al. [35]. Meanwhile, the development of biofloc technology has also been successfully applied to improve water quality in Clarias batrachus cultivation, reducing ammonia concentrations from 6.5 to 0.7 mg/L within 20 days Deswati et al. [36]. Moreover, graphene oxide (GO), with its large surface area (~2,630 m²/g) and oxygen-containing functional groups, has been widely studied for heavy metal removal due to its strong binding affinity with Pb²⁺, Cu²⁺, and Zn²⁺ ions. One study demonstrated that GO can adsorb up to 315.5 mg Pb²⁺/g under optimal pH conditions of 5.0 Deswati et al. [37]. When combined with bacterial cellulose (BC), a biopolymer with a nanofiber structure and high mechanical stability, the BC/GO composite material significantly enhances adsorption efficiency, achieving Pb²⁺ removal rates of up to 95.8 % within 60 min Deswati et al. [38]. Studies have also shown that integrating biofloc with adsorbent materials improves water treatment efficiency, reducing Chemical Oxygen Demand (COD) from 250 to below 50 mg/L after 48 h Deswati et al. [39]. In addition to controlling nitrogen levels, biofloc has been proven to reduce ammonia from 5.6 to 0.8 mg/L, nitrite from 2.3 to 0.2 mg/L, and nitrate from 30 to 5.5 mg/L within 30 days in hydroton-based aquaponics systems Deswati et al. [40]. Notably, biofloc not only removes nitrogen compounds but also adsorbs heavy metals such as Cu²⁺, Fe³⁺, and Zn²⁺, with removal efficiencies of 87, 92 and 79 %, respectively Deswati et al. [41]. Additionally, natural materials such as coconut shell charcoal and rice husk charcoal have been used as substrates in hydroponic systems, reducing ammonia from 7.2 to below 1.0 mg/L and copper from 2.1 to 0.15 mg/L Indrawati et al. [42]. Furthermore, the adsorptive stripping voltammetry (AdSV) technique has been successfully applied for the detection and removal of heavy metals in water, with a detection limit (LOD) for Pb²⁺ of 0.02 µg/L Deswati et al. [43]. Additionally, the use of calcon as a complexing agent has enabled the simultaneous analysis of Fe, Co, Ni, and Cr in water samples, achieving recovery rates above 95 % Deswati et al. [44]. Moreover, aquaponics has been identified as a promising system for controlling heavy metal levels in water, such as biofloc’s metal adsorption capacity, which can reduce Cu²⁺ concentrations from 1.5 to below 0.1 mg/L within 48 h Rahmi et al. [45]. The combination of biofloc technology with electrochemical techniques has also been explored to enhance the detection and removal of toxic heavy metals, demonstrating significant improvements in water purification Deswati et al. [46]. These studies provide a critical foundation for developing BC/GO composite membranes with high Pb²⁺ adsorption efficiency, achieving maximum adsorption capacities of up to 350 mg Pb²⁺/g under optimal conditions. The combination of BC and GO not only facilitates heavy metal removal but also offers significant potential for sustainable and environmentally friendly water treatment applications, reducing up to 98 % of heavy metal contaminants in industrial wastewater Suyani et al. [47].

This study aims to develop nanocomposite film materials based on GO and BC for the removal of Pb²⁺ metal ion contaminants from domestic water. The fabricated adsorbent was characterized before and after the adsorption process using FTIR, SEM, and TGA analyses. Additionally, the mechanical properties of the materials were assessed, and the adsorption capacity was evaluated using the atomic absorption spectrophotometry (AAS) method. To better reflect the study’s focus, revising the title to emphasize the development of nanocomposite film materials would ensure greater alignment with the research content.


Materials and methods

Materials

Nata-de-coco was supplied by Minh Tam Coconut Company (Ben Tre, Vietnam) with a dry content of 10 wt%, while the remaining 90 wt% was water. Ethanol, NaOH, and acetone were purchased from Sigma Aldrich (Vietnam). Graphene oxide (GO) dispersion (0.5 mg/mL in water) and PbCl₂ solution were also obtained from Sigma Aldrich (Vietnam).


Preparation method

Preparation of BC and BC/GO

The bacterial cellulose manufacturing process from coconut jelly was conducted according to the method described in Nguyen and Nguyen [30]. In this study, 3 BC/GO nanocomposite samples BC/GO-1, BC/GO-2, and BC/GO-3we re prepared (see Table 1)


Table 1 Graphene oxide (GO) content in different BC/GO nanocomposites prepared within this study.

Sample designation

VBC/­VGO

BC/GO-1

1:3

BC/GO-2

1:5

BC/GO-3

1:7

BC/GO-1: The nanocomposite film prepared with a bacterial cellulose (BC) to graphene oxide (GO) volume ratio of 1:3.

BC/GO-2: The nanocomposite film prepared with a bacterial cellulose (BC) to graphene oxide (GO) volume ratio of 1:5.

BC/GO-3: The nanocomposite film prepared with a bacterial cellulose (BC) to graphene oxide (GO) volume ratio of 1:7.


These different compositions allow for evaluating the effect of GO content on the structural, mechanical, and adsorption properties of the BC/GO nanocomposite films.

The fabrication of GO/BC nanocomposite films was conducted in several steps to ensure uniform dispersion and film formation. First, a GO/BC solution mixture was prepared according to the volume ratios (V, mL) specified in Table 1. This mixture was mechanically stirred at 1,500 rpm for 90 min to achieve homogeneous dispersion of GO within the BC matrix. After stirring, the solution underwent ultrasonic treatment for 30 min at room temperature to further enhance the interaction between GO and BC, improving the stability and uniformity of the composite. The treated solution was then subjected to vacuum filtration using a membrane filter to form a uniform film. Finally, the filtered films were carefully dried under natural conditions at room temperature until all residual moisture was removed, resulting in the formation of GO/BC nanocomposite films with improved structural integrity and mechanical properties.


Effect of initial metal ions concentration on the adsorption

A stock solution of Pb²⁺ metal ions was prepared by dissolving an appropriate amount of PbCl₂ in distilled water and diluting it to the desired initial concentrations. The solution pH was adjusted using 0.1 M HCl and 0.1 M NaOH.


In this study, 5 mg of each adsorbent material BC, BC/GO-1, BC/GO-2, and BC/GO-3 was added to 25 mL of Pb(II) solution with initial concentrations of 20, 40, 60, 80 and 100 mg/L. The adsorption experiments were conducted in 250 mL conical flasks, with each sample stirred at 200 rpm in a shaker at 25 C while maintaining a pH of 6. The contact times were set at 5, 10, 20, 30, 40, 50, and 60 min to assess the adsorption equilibrium. At each time interval, the remaining Pb²⁺ concentration in the solution was measured to determine the adsorption capacity of the materials [48,49].


Characterizations

The characterization methods in this study focus on analyzing the structure, chemical, thermal, and mechanical properties of the BC/GO nanocomposite film material. First, the surface morphology of the BC/GO film was observed using field emission scanning electron microscopy (FESEM, S-4800, Hitachi, Japan) to evaluate the microstructure. Fourier transform infrared (FTIR) spectroscopy was recorded using an FTS 2000 FTIR spectrometer (Varian) with KBr pellets containing a small amount of the BC/GO sample to identify the functional groups and interactions between BC and GO. Thermogravimetric analysis (TGA) was performed on a DTG-60H instrument (Shimadzu, Japan) at a heating rate of 100 C/min under an air flow rate of 20 cm3/min to assess the thermal stability and decomposition behavior of the material. The tensile strength of the BC/GO film was determined according to the ASTM D882 standard using a LLOYD 0.5KN machine (UK) at a tensile speed of 2 mm/min, room temperature, and 50 % humidity, to measure the mechanical strength of the material.

Finally, the adsorption study of Pb(II) ions was conducted by separating the adsorbent through filtration after reaching equilibrium, and the remaining Pb(II) ion concentration was measured using atomic absorption spectroscopy (AAS) to evaluate the adsorption efficiency of the BC/GO film. These methods provide a comprehensive understanding of the properties and potential applications of the BC/GO nanocomposite film material.


Results and discussion

Morphology analysis

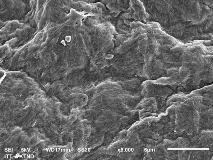
The use of scanning electron microscopy (SEM) enables the analysis of the surface, cross-sections, and thickness of the cellulose nanofibers that constitute the membrane structure of the resulting films. For bacterial cellulose (BC) materials, SEM observations reveal that the cellulose nanofibers are randomly arranged and interwoven, forming a natural 3-dimensional (3D) nanostructure (as shown in Figure 1). The membrane is composed of BC nanofibers, and their surface arrangement is entirely random, similar to that of classic nonwoven materials. This observation aligns with previous studies, such as the work by Czaja et al. [50], which highlighted the random and interconnected network of BC nanofibers, contributing to its unique mechanical and structural properties. Additionally, Lin et al. [51] further supported this finding, emphasizing the natural 3D nanostructure of BC and its potential applications in advanced materials. These studies collectively reinforce the characterization of BC nanofibers and their random arrangement, providing a scientific basis for understanding the membrane’s structural properties.

The random arrangement of cellulose nanofibers in BC provides a high surface area for adsorption, which is crucial for metal ion binding. This natural 3D nanostructure allows for an enhanced interaction between the fibers and metal ions, potentially increasing adsorption efficiency. The incorporation of GO into the BC matrix led to the formation of interlinked structures where the BC nanofibers remain predominantly intertwined, while GO flakes are effectively embedded in the nanofiber network. This interlocking may enhance the adsorption capacity of the composite by providing additional active sites for metal ion binding.



Figure 1 SEM images of materials samples BC.



Shape1

Shape2

Shape3


Figure 2 SEM images of materials samples BC, BC/GO-1, BC/GO-2 and BC/GO-3; The applicator is the actual material images.





Shape4

Shape6 Shape5

BCC

Shape8 Shape7

GO


Figure 3 SEM images of materials samples BC/GO-3, in different resolutions.


In addition, for the BC/GO-1, BC/GO-2, and BC/GO-3 films, regions with randomly arranged and overlapping BC nanofibers were observed, forming nanoribbons in irregular planes (indicated by blue arrows and circles in Figure 2). SEM studies revealed that graphene oxide (GO) flakes are not directly visible on the surface of the composite films but are instead embedded within and covered by the BC nanofiber network. This observation is consistent with findings from other studies on BC-based nanocomposites. For instance, Troncoso et al. [52] reported that GO sheets tend to be encapsulated within the BC nanofiber matrix, which prevents their direct exposure on the surface and enhances the mechanical integrity of the composite. Similarly, Wang et al. [53] observed that the integration of GO into BC films results in a uniform distribution of GO within the BC network, contributing to improved mechanical and thermal properties without altering the surface morphology significantly. These studies support the conclusion that the BC nanofiber network effectively masks the presence of GO flakes, as observed in our SEM analysis. Furthermore, Xu et al. [54] highlighted that the random arrangement of BC nanofibers and their interaction with GO create a synergistic effect, enhancing the overall performance of the composite material. By comparing our results with these studies, it is evident that the structural characteristics of BC/GO composites, including the embedding of GO within the BC network, are consistent with findings in the literature, thereby validating our observations and reinforcing the scientific understanding of these materials.

Graphene oxide (GO) is incorporated into the bacterial cellulose (BC) matrix during the fabrication process, but it does not disrupt the natural 3D nanostructure formed by the randomly arranged, intertwined, and disordered BC nanofibers. In this composite system, BC acts as the reinforcing material, while GO serves as the matrix. Scanning electron microscopy (SEM) further enables the observation of cracks in the resulting composite film, as illustrated in Figure 3. This structural integrity, where GO is integrated without altering the inherent 3D network of BC, aligns with findings from Troncoso et al. [52], who demonstrated that GO incorporation into BC preserves the natural nanofiber arrangement while enhancing mechanical properties. Similarly, Wang et al. [53] reported that the reinforcement of BC within a GO matrix maintains the structural hierarchy of BC, ensuring the composite retains its unique mechanical and functional characteristics. These studies support the observation that GO acts as a matrix that complements the reinforcing role of BC, without compromising its natural nanostructure. Observing the SEM image of sample BC/GO-3 (see Figures 2 and 3), it shows that the cellulose nanofibers with the 3D structure are preserved, indicating that GO has been layered and inserted into the gaps of BC. The size of the nanofibers is in the range of 20 - 70 nm evenly distributed over the entire membrane charge, clean and smooth.

The size of the nanofibers in the BC/GO composites ranges between 20 - 70 nm, which is ideal for the adsorption of Pb(II) ions. The uniform distribution of these fibers over the membrane surface ensures that metal ions are efficiently captured, further supported by the strong interconnection between BC and GO.

The SEM image (Figure 3) also shows that the cellulose nanofibers bond very well with the GO sheets, through the actual observation that the BC fibers and the GO sheets are intertwined and interlocked. Thus, BC and GO are dispersed and strongly bound together and the assumption for this strong association is due to electrostatic (physicochemical) interaction between the OH groups of BC and GO is confirmed success. Bacterial cellulose (BC) is a remarkable biomaterial with a unique structure and exceptional properties that make it an ideal candidate for various applications, including the development of heavy metal ion adsorption membranes. Bacterial cellulose is a bi-opolymer produced by various strains of acetic acid bacteria, such as Acetobacter xylinum. It is synthesized through the polymerization of glucose units, producing long, linear cellulose chains. The structural characteristics of BC make it unique and advantageous for applications in heavy metal ion adsorption membranes. BC has a nanofibrous structure, consisting of nanometer-sized cellulose fibrils. These nanofibers create a high surface area, facilitating efficient interactions with heavy metal ions. BC is highly pure, typically containing over 99 % cellulose. This purity minimizes potential interference from impu-rities in adsorption processes. The nanofibers of BC form an intricate 3-dimensional network with interconnected pores. This network structure enhances the accessibility of heavy metal ions to active adsorption sites. BC exhibits excellent hydrophilicity due to its numerous hydroxyl (-OH) groups. This property aids in the adsorption of polar heavy metal ions from aqueous solutions. BC is biocompatible and biodegradable, making it environmentally friendly and suitable for various applications, including those in the biomedical field. BC serves as an excellent support matrix for the immobilization of ad-sorbent materials. It can contain various functional materials, such as graphene oxide (GO) to enhance the adsorption capacity of heavy metal ions.


FTIR analysis

From the FTIR spectroscopy results of BC and BC/GO-2, it is evident that the infrared spectrum of BC/GO-2 exhibits peaks at 3,379.96 and 3,233.80 cm⁻¹, corresponding to O-H stretching vibrations, which are indicative of hydrogen bonding. In comparison, the BC spectrum shows a peak at 3,564.60 cm⁻¹, also representing O-H stretching. These peaks confirm the presence of hydroxyl groups in both materials, which are crucial for adsorption efficiency. Additionally, the BC/GO-2 spectrum displays a peak at 1657.89 cm⁻¹, attributed to the C=O stretching vibration, confirming the presence of ester groups derived from the carbonyl stretching of carboxylic acid groups. This peak is a result of surface interactions between GO and BC, suggesting successful functionalization. Furthermore, the peaks at 1,107.19 and 1,054.14 cm⁻¹ are associated with the elongation of ether bonds, further supporting the occurrence of esterification between BC and GO (see Figure 4).

These findings are consistent with previous studies. For instance, Luo et al. (2017) [12] observed similar O–H and C=O stretching peaks in BC/GO composites, confirming the formation of hydrogen bonds and ester linkages, which enhance the material’s adsorption properties. Similarly, Luo et al. (2020) [32] reported that the presence of ester groups in BC/GO composites, evidenced by FTIR peaks around 1,650 cm⁻¹, is a result of chemical interactions between BC and GO, leading to improved mechanical and functional properties. Moreover, Wang et al. (2014) [14] highlighted that the increase in ether bond vibrations, as seen in the 1,000–1,200 cm⁻¹ range, is a common feature in BC-based composites, further validating our results. These studies collectively support the successful esterification and functionalization observed in our BC/GO-2 composite.

The presence of hydroxyl (-OH) groups in both BC and BC/GO composites is crucial for binding Pb(II) ions through hydrogen bonding and electrostatic interactions. The esterification observed in BC/GO-3, indicated by the C=O stretching peak, confirms the strong interaction between BC and GO, which may enhance the overall adsorption capacity. The esterification between BC and GO strengthens the bond between the 2 materials, ensuring that the graphene oxide remains well-dispersed throughout the cellulose matrix. This uniform distribution aids in maintaining a high surface area for ion adsorption, increasing the composite’s overall efficiency.


Figure 4 IR spectrum of GO and GO/BC-2.


TGA analysis

The thermal stability of BC/GO nanomaterials was evaluated by gravimetric calorimetry. As shown in Figure 5, GO shows a steady steady drop in weight. The process takes place continuously from 215.49 to 500 C in the temperature range of 215.49 to 300 C is the biggest decrease in volume (from room temperature to 300 C, 45.285 % decrease in volume, emperature 215.49 C most degradable material). For BC/GO-2 materials, the decomposition was strongest at 325.59 and at 453.61 C. The results show that GO significantly improves the thermal stability of BC/GO composites. However, convincingly, the prepared BC/GO composites can be said to have a good to decent degree of mass retention at higher temperatures.

The higher thermal stability of BC/GO composites implies that these materials would retain their structural integrity during long-term exposure to heavy metal ions, thereby maintaining their adsorption performance over extended periods.


Figure 5 TGA analysis of prepared samples: GO, BC and BC/GO-2.




Adsorption experiments

Effect of initial metal ions concentration on metal ion removal

Three distinctive initial ions concentrations were experimented in this study: 20, 40, 60, 80 and 100 mg/L. From the results of Figure 6(A), it is shown that the adsorption capacity of Pb(II) ions increases with increasing initial concentration value of metal ions in aqueous medium. The maximum adsorption is 281.87 mg g1 for sample solution of 100 mg/L initial concentration on BC/GO-3 adsorbent. Through the results in Figure 6, BC/GO-3 Materials proved to have a remarkable improvement in the efficiency of Pb(II) metal ion adsorption. The higher adsorption capacity of BC/GO-3 is due to having more functional groups than other materials. The above functional group on the material acts as an adsorption site to interact with metal ions (Pb2+).

For BC materials, the hydroxyl groups in the cellulose molecule were highly active, increasing the efficiency of Pb(II) ion adsorption. Meanwhile, BC/GO-1, BC/GO-2 and BC/GO-3 materials have stronger adsorption capacity than BC materials. This result can be explained by the fact that GO has many active functional groups, such as carboxyl which serve as active sites for metal ion adsorption, and especially GO has a very large surface area. Therefore, when increasing GO content, the adsorption capacity increases, which confirms the role of GO in the adsorption process of Pb(II) ion (result in Figure 6(A)). Apparently, the combination of BC and GO effectively increased the adsorption capacity of Pb(II) ions. On the other hand, when increasing the adsorbent dosage (initial Pb(II) ion solution), the adsorption capacity increases. This is because the positive correlation between adsorbent dosage and metal removal efficiency may be related to the increased surface area of available binding sites. Figure 6 shows that the adsorption efficiency increases with increasing GO content in BC/GO adsorbent (Adsorption efficiency reached 91.18 % for sample BC/GO-3 for Pb(II) ionic solution 20 mg L1), which further demonstrates the important role of GO in the adsorption of metal ions. However, the efficiency tends to decrease as the initial concentration of Pb(II) ion adsorbent increases. Figure 6(B) shows that the adsorption efficiency increases with increasing GO content in BC/GO adsorbent, which further demonstrates the important role of GO in the adsorption of metal ions. However, the efficiency tends to decrease as the initial concentration of Pb(II) ion adsorbent increases. This can be explained by increasing the solution concentration, the concentration gradient effect increases and hence the qe adsorption capacity. Besides, the metal ion/adsorbent ratio is low, the can adsorption process has not reached the saturation state and continues.



Figure 6 Effect of the initial concentrations of the metal ions upon ion removal: Adsorption capacity in mg/g (A) and Removal efficiency in percentage % (B).


The increased adsorption capacity of BC/GO-3 at higher concentrations can be attributed to the greater number of available binding sites created by the high surface area of GO. This suggests that higher concentrations of metal ions facilitate a more extensive interaction with the available active sites. The increase in Pb(II) adsorption efficiency in the BC/GO composites compared to BC alone is likely due to the additional carboxyl groups present in GO. These groups serve as additional binding sites for Pb(II) ions, further enhancing the adsorption capacity.


Effect of contact time on metal ion removal

From the results of Figure 7, it shows that the adsorption process took place strongly from the first 10 min for all materials, in which BC/GO-3 material is the sample with the highest adsorption efficiency. The reason for the strong adsorption from the first 10 min could be due to the free surface area of the material available for binding with metal ions. Subsequent increases are held for up to 30 min, after which the trend remains constant. When the time increases, Pb(II) ions have filled on the surface of the material, the adsorption bonds are also not much. The adsorption process reached equilibrium. Thus, the absorption equilibrium in all cases of material adsorption starts after 30 min and reach equilibrium. The available active sites decrease with increasing exposure time, thereby slowing down the adsorption process. The rapid adsorption observed in the first 10 min likely indicates a high availability of active sites, which is characteristic of a pseudo-first-order kinetic model. As the adsorption sites become occupied, the process slows down, reaching equilibrium after 30 min.




Figure 7 Effect of contact time on the adsorption: (A) Adsorption capacity/Time (mg g–1), (B) Removal efficiency, (%).


Effect of the solution pH on metal ion removal

Figure 8(A) shows that when the pH is at a low value (pH = 4), the material has a lower efficiency of Pb(II) ion adsorption than when the solution is at pH = 5, pH = 6 and pH = 8. This phenomenon is caused by the existence of a large number of protons in a strongly acidic medium; these protons compete with Pb2+ by exerting electrostatic attraction with negatively charged groups on BC (hydroxyl group) and GO (such as carboxyl group). The absorption of Pb(II) ions increases sharply when the pH increases from 4 to 5 and then tends to decrease gradually. The increased adsorption for Pb2+ with increasing pH can be attributed to the increase in the negative charge on the surface of the GO airgel because of the functional oxygen groups such as the carboxyl group. When the pH was increased to 6.8, there was a slight decrease due to the formation of hydroxide deposition. This strong pH dependence suggests an ion-exchange adsorption mechanism. As shown in Figure 8(A), the optimal pH for Pb2+ adsorption is 5.0. The increased adsorption at higher pH is due to the greater negative charge on the adsorbent surface, particularly on the carboxyl groups of GO, which facilitates stronger electrostatic attraction with Pb(II) ions. At lower pH values (pH = 4), the competition between protons and Pb(II) ions for adsorption sites reduces Pb(II) removal efficiency. However, as the pH increases, the negative charge on the GO surface enhances electrostatic interactions with Pb(II) ions, improving adsorption efficiency.


(A)

(B)




Figure 8 (A) Effect of the solution pH on metal ion removal, and (B) Effect of adsorbent dosage on metal ion removal.


Effect of adsorbent dosage on metal ion removal

The results of the adsorbent dosage are shown in Figure 8(B), showing a clearly shown trend that the Pb(II) metal ion removal efficiency increases with increasing adsorbent dosage. BC/GO-3 materials with Pb(II) metal ion adsorption efficiency increased as the volume of adsorbent increased and reached the best value. The removal efficiency of Pb(II) metal ions of BC/GO-3 materials was 91.19, 92.91 and 95.08 % respectively, corresponding to the mass of adsorbent 5 mg, 10 mg, and 15 mg, respectively. The increase in efficiency was explained by the increase in the adsorption reaction sites and the surface area in the aqueous solution.


Adsorption isotherms

The slopes and intersections of each linear graph (Figures 9 to 12) based on the above models were used to calculate the Lang-muir, Freundlich parameters. The adsorption of Pb2+ ions on BC/GO materials is consistent with Lang-muir and Freundlich models. Freundlich isotherm model with R2 for materials BC/GO-1, BC/GO-2, BC/GO-3, respectively: 0.84, 0.88, 0.98.The corresponding n values on the 3 materials BC/GO-1, BC/GO-2, BC/GO-3 are: 2.33, 2.64, 2.84, respectively. This result shows that the fit here is quite good. This result may be due to the fact that the Freundlich isotherm is obtained by assuming a heterogeneous surface with an uneven distribution of the adsorption heat on the surface, corresponding to the difference in active sites. surface dynamics on GO nanosheets and BC nanofibers. For Lang-muir isotherm model, especially for BC/GO-3 adsorbent, the correlation coefficient value R2 = 0.9897 is quite high compared to the good fit. between the parameters with the maximum adsorption process forming monolayer of Pb2+ on the surface of the material. The maximum adsorption capacity of BC/GO-3 with Pb2+ is 312.5 mg g1.

The high R² value for the Langmuir model, particularly for BC/GO-3 (R² = 0.9897), suggests that the adsorption of Pb(II) ions occurs in a monolayer fashion, where ions occupy distinct adsorption sites. This supports the hypothesis that the adsorption is a surface phenomenon, with limited ion-ion interaction. The Freundlich model’s ‘n’ values greater than 1 indicate favorable adsorption, with the adsorption process being more favorable as the GO content increases in BC/GO composites. The increase in ‘n’ values from BC/GO-1 to BC/GO-3 suggests that the adsorption sites become more heterogeneous and the surface more accessible for Pb(II) ions.

BCs high surface area, coupled with its hydrophilicity and nanofibrous structure, provides an ideal environment for heavy metal ions to attach and adsorb. Functional groups on BCs surface, like hydroxyl (-OH) groups, contribute to the adsorption process. Combining BC with GO materials, can lead to a synergistic effect that further enhances the adsorption capacity. The 3D nanostructure of BC complements the 2D structure of GO, creating a composite with improved performance. BCs surface can be easily functional-ized to introduce specific chemical groups or ligands that enhance its selectivity for par-ticular heavy metal ions. Bacterial cellulose features a unique nanostructure composed of intertwined cellulose nanofibers. This structure offers exceptional mechanical strength, high surface area, and water-absorbing properties, making it valuable in various ap-plications, such as wound dressings, food packaging, and as a substrate for catalysts. Bacterial celluloses porous nature also enables effective absorption of heavy metal ions and pollutants from water, rendering it a promising material in environmental reme-diation. Its biocompatibility and biodegradability further contribute to its significance in diverse fields, including biomedical and sustainable materials industries. Currently, the most suitable method for producing bacterial cellulose in applications involving the adsorption of heavy metal ions is through natural fermentation using specific bacterial strains, such as Acetobacter xylinum. This method yields highly pure and uniform bacterial cellulose nanofibers, making it ideal for creating materials with exceptional adsorption properties for heavy metal ions. Additionally, this approach is environmen-tally friendly and cost-effective, making it a preferred choice for manufacturing materials used in heavy metal ion removal applications. The structural role of Bacterial Cellulose (BC) in synergistically interacting with graphene oxide (GO) for the adsorption of heavy metal Pb(II) ions is a multifaceted and critical aspect of this study. Understanding the intricacies of this interaction is essential for elucidating the enhanced adsorption properties of BC/GO nanocomposites in removing Pb(II) ions from aqueous solutions. Enhanced Surface Area and Accessibility: BC, with its nanostructured network of cellulose nano-fibers, provides an extensive surface area for interaction. This high surface area allows for more active sites where heavy metal ions can attach, increasing the adsorption capacity. Mechanical Strength and Stability: BC contributes remarkable mechanical strength to the composite, reinforcing the structural integrity of the material. This stability is crucial to maintain the adsorption efficiency under various conditions. Interplay of Functional Groups: Both BC and GO possess functional groups on their surfaces. BC is rich in hy-droxyl (-OH) groups, while GO has oxygen-containing functional groups like hydroxyl, carbonyl, and carboxyl groups. These functional groups create sites for chemical inter-actions with Pb(II) ions, enhancing adsorption. Nanoarchitecture of BC: BCs nanostructure allows for the entanglement and intercalation of GO sheets, forming a 3D network. This structure promotes the immobilization of Pb(II) ions within the composite, preventing their leaching back into the solution. Electrostatic Interactions: The negatively charged oxygen-containing functional groups on GO and the positively charged Pb(II) ions lead to electrostatic attraction. BCs structure facilitates these interactions, enhancing adsorption through ion exchange mechanisms. Synergistic Effects: The combination of BC and GO creates a synergistic effect, with BC providing mechanical stability and GO offering increased adsorption sites. This collaboration results in significantly improved adsorption capacity for Pb(II) ions compared to individual components.

.



Figure 9 Image explaining the adsorption mechanism of BC/GO composite membrane material.


Figure 10 The adsorption isotherm of Pb(II) ion on BC/GO-1 according to the concentration of adsorbent dosage: Langmuir and Freundlich.


Figure 11 The adsorption isotherm of Pb(II) ion on BC/GO-2 according to the concentration of adsorbent dosage: Langmuir and Freundlich.


Figure 12 The adsorption isotherm of Pb(II) ion on BC/GO-3 according to the concentration of adsorbent dosage: Langmuir and Freundlich.



Regenerate and reuse adsorbents

The results in Figure 13 show that 0.1M HNO3 is slightly more effective than 0.1 M HCl. The highest release rates for HNO3 were 90.6 and 89.4 % for HCl, respectively, when using BC/GO-3 material, superior to other materials. In the case of Pb(II) ions, this difference may suggest that the choice of acid may influence the release efficiency of Pb(II) ions from the adsorbent. However, more research is needed to better understand how the choice of acid can impact the release and interaction with Pb(II) ions in BC/GO-3 materials



Figure 13 Desorption results of materials when using HCl and HNO3.


Determine the pH of zero-point charge (pHzpc) for BC/GO nanocomposite materials

The results of determining the pHpzc of the material are presented in Figure 14. Based on the results from the graph in Figure 14, it is evident that when the pH of the solution is lower than pHpzc, the material’s surface carrying a positive charge facilitates better adsorption of anions. Conversely, if the pH of the solution is higher than pHpzc, the surface of the material carrying a negative charge enhances the adsorption of cations. pHpzc serves as a crucial factor confirming the metal ion adsorption capability under conditions where the adsorption centers on the material surface bear an opposite charge to that of the metal ions. Thus, relying on pHpzc allows the prediction of the material’s adsorption capability for various forms of metal ions at any given pH value. The higher pHpzc of BC/GO material compared to BC contributes to the improved adsorption capacity for Pb(II).


Figure 14 Graph for determining zero-point charge pH (pHzpc) for BC/GO-3 nanocomposite material.







Compare the Pb(II) heavy metal adsorption capacity of the fabricated membrane with other membranes of the same type

Compared with other adsorbent materials, BC/GO-3 showed significant superiority in removing abundant oxygen groups on recently prepared materials. The results of isothermal tests demonstrated a greater degree of interaction between BC/GO-3 and Pb2+, as shown in Table 2. In addition, the Langmuir model recorded the highest value for maximum adsorption capacity (Qmax) up to 315.5 mg/g compared to the Freundlich model. Therefore, the Langmuir model described the adsorption process in this system quite well.


Table 2 Comparison of Pb adsorption capacity of different nano adsorbent materials.

Adsorbent materials

Adsorbent/metal ion

Ads. capacity (mg/g)

References

GO/cellulose membranes

Pb(II)

107.9

[55]

Modified gum tragacanth/graphene oxide composite

Pb(II)

142.50


[56]

Few-layered graphene oxide nanosheets (FGO)

Pb(II)

400


[57]

Cross-linked graphene oxide sheets via modified extracted cellulose

Pb(II)

186.48


[58]

Polyethylenimine coated bacterial cellulose

Pb(II)

116.41


[59]

Chemically modified cellulose

Pb(II)

153.5


[60]

BC/GO

Pb(II)

315.5

-



Conclusions

This work successfully fabricated a green bacterial cellulose/graphene oxide (BC/GO) composite material. The structural morphology, chemical properties, and thermal stability of the composite were thoroughly evaluated using SEM, TGA, and FTIR spectroscopy. The results demonstrated that the incorporation of graphene oxide (GO) into bacterial cellulose (BC) significantly enhanced the adsorption capacity and efficiency of the material. Compared to pure BC, the BC/GO adsorbent exhibited superior performance, with adsorption capacity and efficiency increasing proportionally with the GO content. This improvement is attributed to the higher reactivity of carboxyl groups on GO compared to the hydroxyl groups on BC, indicating that GO plays a critical role in the adsorption of Pb²⁺ ions.

The adsorption process was found to be highly dependent on factors such as pH, adsorbent dosage, and initial metal ion concentration. The adsorption behavior of Pb²⁺ on BC/GO was well-described by both the Langmuir and Freundlich models, with the BC/GO (1:7) composite showing the highest adsorption capacity of 315.5 mg g⁻¹ in this study. These findings suggest that BC/GO composites are highly effective adsorbents for the removal of Pb(II) ions from aqueous solutions.

Future Directions: Further optimization of the BC/GO composite, such as tuning the GO-to-BC ratio or exploring surface functionalization, could enhance its adsorption performance. Additionally, investigating the reusability and regeneration potential of the adsorbent would be valuable for practical applications. Scaling up the production of BC/GO composites for industrial use, particularly in water treatment and environmental remediation, represents a promising direction for future research.

Broader Impact: The development of BC/GO composites offers a sustainable and eco-friendly solution for heavy metal removal, addressing critical environmental challenges. This material has significant potential for application in water purification systems, industrial wastewater treatment, and other environmental remediation efforts, contributing to cleaner and safer water resources.


Acknowledgements

The authors wish to thank Faculty of Chemical Technology, Hanoi University of Industry (HaUI), Vietnam for funding this work.






References

[1] E Ghasemi, A Heydari and M Sillanpää. Superparamagnetic Fe3O4@EDTA nanoparticles as an efficient adsorbent for simultaneous removal of Ag(I), Hg(II), Mn(II), Zn(II), Pb(II) and Cd(II) from water and soil environmental samples. Microchemical Journal 2017; 131, 51-56.

[2] DW O’Connell, C Birkinshaw and TF O’Dwyer. Removal of lead(II) ions from aqueous solutions using a modified cellulose adsorbent. Adsorption Science and Technology 2006; 24(4), 337-347.

[3] MA Barakat. New trends in removing heavy metals from industrial wastewater. Arabian Journal of Chemistry 2011; 4(4), 361-377.

[4] S Dervin, DD Dionysiou and SC Pillai. 2D nanostructures for water purification: Graphene and beyond. Nanoscale 2016; 8(33), 15115-15131.

[5] A Lee, JW Elam and S Darling. Membrane materials for water purification: Design, development, and application. Environmental Science: Water Research & Technology 2016; 2(1), 17-42.

[6] W Peng, H Li, Y Liu and S Song. A review on heavy metal ions adsorption from water by graphene oxide and its composites. Journal of Molecular Liquids 2017; 230, 496-504.

[7] A Adjarodi, SM Ferdowsi, RZ Dorabei and A Barzin. Highly efficient ultrasonic-assisted removal of Hg(II) ions on graphene oxide modified with 2-pyridinecarboxaldehyde thiosemi carbazone: Adsorption isotherms and kinetics studies. Ultrasonics Sonochemistry 2016; 33, 118-128.

[8] CN Nupearachchi, K Mahatantila and M Vithanage. Application of graphene for decontamination of water; Implications for sorptive removal. Groundwater for Sustainable Development 2017; 5, 206-215.

[9] L Bulgariu and D Bulgariu. Functionalized soy waste biomass-A novel environmental-friendly biosorbent for the removal of heavy metals from aqueous solution. Journal of Cleaner Production 2018; 197(P1), 875-885.

[10] Z Abbas, S Ali, M Rizwan, IE Zaheer, A Malik, MA Riaz, MR Shahid, MZU Rehman and MI Al-Wabel. A critical review of mechanisms involved in the adsorption of organic and inorganic contaminants through biochar. Arabian Journal of Geosciences 2018; 11(16), 448.

[11] C Liu, RN Jin, XK Ouyang and YG Wang. Adsorption behavior of carboxylated cellulose nanocrystal - Polyethyleneimine composite for removal of Cr(VI) ions. Applied Surface Science 2017; 408, 77-84.

[12] H Luo, H Ao, G Li, W Li, G Xiong, Y Zhu and Y Wan. Bacterial cellulose/graphene oxide nanocomposite as a novel drug delivery system. Current Applied Physics 2017; 17(2), 249-254.

[13] A Stoica-Guzun, M Stroescu, SI Jinga, N Mihalache, A Botez, C Matei, D Berger, CM Damian and V Ionita. Box-Behnken experimental design for chromium(VI) ions removal by bacterial cellulose-magnetite composites. International Journal of Biological Macromolecules 2016; 91, 1062-1072.

[14] Y Wang, S Yadav, T Heinlein, V Konjik, H Breitzke, G Buntkowsky, JJ Schneider and K Zhang. Ultra-light nanocomposite aerogels of bacterial cellulose and reduced graphene oxide for specific absorption and separation of organic liquids. RSC Advances 2014; 4(41), 21553-21558.

[15] AG Nandgaonkar, Q Wang, K Fu, WE Krause, Q Wei, R Gorga and LA Lucia. A one-pot biosynthesis of reduced graphene oxide (RGO)/bacterial cellulose (BC) nanocomposites. Green Chemistry 2014; 16(6), 3195-3201.

[16] W Shao, H Liu, X Liu, S Wang and R Zhang. Anti-bacterial performances and biocompatibility of bacterial cellulose/graphene oxide composites. RSC Advances 2015; 5(7), 4795-4803.

[17] X Du, Z Zhang, W Liu and Y Deng. Nanocellulose-based conductive materials and their emerging applications in energy devices-a review. Nano Energy 2017; 35(2), 299-320.

[18] F Esa, SM Tasirin and NA Rahman. Overview of bacterial cellulose production and application. Agriculture and Agricultural Science Procedia 2014; 2, 113-119.

[19] SAS Keshk. Bacterial cellulose production and its industrial applications. Journal of Bioprocessing & Biotechniques 2014; 4(02), 151.

[20] N Sriplai, W Mongkolthanaruk, SJ Eichhorn and S Pinitsoontorn. Magnetically responsive and flexible bacterial cellulose membranes. Carbohydrate Polymers 2018; 192, 251-262.

[21] S Pirsa, T Shamusi and EM Kia. Smart films based on bacterial cellulose nanofibers modified by conductive polypyrrole and zinc oxide nanoparticles. Journal of Applied Polymer Science 2018; 135(34), 46617.

[22] P Lv, Q Feng, Q Wang, G Li, D Li and Q Wei. Biosynthesis of bacterial cellulose/carboxylic multi-walled carbon nanotubes for enzymatic biofuel cell application. Materials 2016; 9(3), 183.

[23] AA Yakout, RH El-Sokkary, MA Shreadah and OGA Hamid. Cross-linked graphene oxide sheets via modified extracted cellulose with high metal adsorption. Carbohydrate Polymers 2017; 172, 20-27.

[24] K Lü, G Zhao and X Wang. A brief review of graphene-based material synthesis and its application in environmental pollution management. Chinese Science Bulletin 2012; 57(11), 1223-1234.

[25] G Zhao, X Ren, X Gao, X Tan, J Li, C Chen, Y Huang and X Wang. Removal of Pb(II) ions from aqueous solutions on few-layered graphene oxide nanosheets. Dalton Trans 2011; 40(41), 10945-10952.

[26] C Santhosh, P Kollu, S Felix, V Velmurugan, SK Jeong and AN Grace. CoFe2 O4 and NiFe2 O4 @graphene adsorbents for heavy metal ions-kinetic and thermodynamic analysis. RSC Advances 2015; 5(37), 28965-28972.

[27] AIA Sherlala, AAA Raman, MM Bello and A Asghar. A review of the applications of organo-functionalized magnetic graphene oxide nanocomposites for heavy metal adsorption. Chemosphere 2018; 193, 1004-1017.

[28] M Yusuf, FM Elfghi, SA Zaidi, EC Abdullah and MA Khan. Applications of graphene and its derivatives as an adsorbent for heavy metal and dye removal: A systematic and comprehensive overview. RSC Advances 2015; 5(62), 50392-50420.

[29] A Mensah, P Lv, C Narh, J Huang, D Wang and Qufu Wei. Sequestration of Pb(II) ions from aqueous systems with novel green bacterial cellulose graphene oxide composite. Materials 2019; 12(2) 218, 218.

[30] AT Nguyen and XC Nguyen. Bacterial cellulose-based biofilm forming agent extracted from vietnamese nata-de-coco tree by ultrasonic vibration method: Structure and properties. Journal of Chemistry 2022; 2022(14), 1-10.

[31] H Luo, J Dong, F Yao, Z Yang, W Li, J Wang, X Xu, J Hu and Y Wan. Layer-by-layer assembled bacterial cellulose/graphene oxide hydrogels with extremely enhanced mechanical properties. Nano-Micro Lett 2018; 10(3), 42.

[32] H Luo, F Feng, F Yao, Y Zhu, Z Yang and Y Wan. Improved removal of toxic metal ions by incorporating graphene oxide into bacterial cellulose. Journal of Nanoscience and Nanotechnology 2020; 20(2), 719-730.

[33] D Deswati, ON Tetra, LP Isara, DI Roesma and H Pardi. Samhong mustard cultivation by utilizing tilapia waste in Nutrient Film Technique (NFT) aquaponics system based on biofloc, and its impact on water quality. Rasayan Journal of Chemistry 2021; 14(4), 2559-2566.

[34] D Deswati, ON Tetra, Syafrizayanti, Y Yusuf, Suparno and H Pardi.  Dynamics and fluctuations of ammonia, nitrite and nitrate in the utilization of tilapia cultivation waste in Aquaponics-NFT (nutrient film technique) based on biofloc. Aquaculture, Aquarium, Conservation & Legislation - International Journal of the Bioflux Society 2023; 16(3), 1254-1265.

[35] D Deswati, E Yani, S Safni, ON Tetra and H Pardi. Development methods in aquaponics systems using biofloc to improve water quality (ammonia, nitrite, nitrate) and growth of tilapia and samhong mustard. International Journal of Environmental Analytical Chemistry 2022; 102(19), 7824-7834.

[36] D Deswati, R Zein, ON Tetra, H Pardi and S Suparno. Development of biofloc technology to improve water quality in Clarias batrachus cultivation. Aquaculture, Aquarium, Conservation & Legislation - International Journal of the Bioflux Society 2022; 15(6), 2957-2968.

[37] D Deswati, K Khairiyah, S Safni, Y Yusuf, R Refinel and H Pardi. Environmental detoxification of heavy metals in flood & drain aquaponic system based on biofloc technology. International Journal of Environmental Analytical Chemistry 2020; 102(385), 7155-7164.

[38] D Deswati, S Safni, K Khairiyah, E Yani, Y Yusuf and H Pardi. Biofloc technology: Water quality (pH, temperature, DO, COD, BOD) in a flood & drain aquaponic system. International Journal of Environmental Analytical Chemistry 2020; 102(18), 6835-6844.

[39] D Deswati, ON Tetra, Latisha Putri Isara, Dewi Imelda Roesma and Hilfi Pardi. Samhong mustard cultivation by utilizing Tilapia waste in nutrient film technique (nft) Aquaponics system based on bioflocs, and its Impact on water quality. RASAYAN Journal of Chemistry 2021; 14(4), 2559-2566.

[40] D Deswati, S Safni, LP Isara and H Pardi. Hydroton-biofloc-based aquaponics (hydro tonflocponics): Towards good water quality and macro-micro nutrient. Aquaculture, Aquarium, Conservation & Legislation - International Journal of the Bioflux Society 2021; 14(5), 3127-3144.

[41] D Deswati, N Ulya, Y Yusuf, ON Tetra, TW Edelwis and H Pardi. Improvement of water quality (Cu, Fe, Zn) in biofloc aquaponics systems by utilizing fish waste as a source of micronutrients. Aquaculture, Aquarium, Conservation & Legislation - International Journal of the Bioflux Society 2021; 14(6), 3440-3449.

[42] Indrawati, R Achmad, H Suyani, R Suhaili, H Pardi and D Deswati. Application of planting media of charcoal coconut shell and charcoal rice husk in lettuce (Lactuca sativa L.) cultivation to reduce ammonia, sulfide, copper, and zinc in the hydroponics system. Pollution Research 2018; 37(2), 9-14.

[43] D Deswati, N Febriani, H Pardi, Y Yusuf and H Suyani. Applications of aquaponics on pakcoy (Brassica rapa L.) and Nila fish (Oreochromis niloticus) to the concentration of ammonia, nitrite, and nitrate. Oriental Journal of Chemistry 2018, 34(5), 2447-2455.

[44] D Deswati, E Munaf, H Suyani, R Zein and H Pardi. Simultaneous determination of trace amounts of iron, cobalt, nickel and chromium in water samples with Calcon as complexing agent by adsorptive stripping voltammetry. Asian Journal of Chemistry 2015; 27(11), 3978-3982.

[45] I Rahmi, H Pardi, D Deswati, ON Tetra and TW Edelwis. Application of the adsorptive stripping voltammetry-response surface methodology (AdSV-RSM) in the simultaneous determination of copper ions in an aquaponics system. International Journal of Environmental Analytical Chemistry 2021; 103(3), 1-15.

[46] D Deswati, K Khairiyah, S Safni, Y Yusuf, R Refinel and H Pardi. Environmental detoxification of heavy metals in flood & drain aquaponic system based on biofloc technology. International Journal of Environmental Analytical Chemistry 2020; 102(18), 7155-7164.

[47] H Suyani, I Rahmi and H Pardi. Optimization for the simultaneous determination of zinc in environmental samples with calcon by adsorptive stripping voltammetry: Response surface methodology. Oriental Journal of Chemistry 2017; 33(04), 2060-2070.

[48] AT Nguyen, D Thi, Y Oanh, MH Nguyen, NT Huu, T Thu, P Nguyen, T Hong, L Nhung, MV Nguyen, T Mai, H Pham and TQ Nguyen. Research to develop the ability to remove As(III) ions in water of an environmentally friendly hybrid material based on bacterial cellulose and graphene oxide. Vietnam Journal of Chemistry 2024; 62(5), 1-15.

[49] TA Nguyen, DTY Oanh, TTP Nguyen, MH Nguyen, TH Nguyen, TTT Bui, NT Nguyen, MV Nguyen, QT Nguyen and TD Hoang. Exploring sustainable solutions: Utilizing recycled coffee grounds as a new bio‐adsorbent material for removal of Pb(II) ions from water. Vietnam Journal of Chemistry 2024.

[50] W Czaja, A Krystynowicz, S Bielecki and RM Brown. Microbial cellulose-the natural power to heal wounds. Biomaterials 2007; 28(2), 145-151.

[51] N Lin, J Huang and A Dufresne. Preparation, properties and applications of polysaccharide nanocrystals in advanced functional nanomaterials: A review. Nanoscale 2012; 4(11), 3274.

[52] OP Troncoso and FG Torres. Bacterial cellulose-graphene based nanocomposites. International Journal of Molecular Sciences 2020; 21(18), 6532.

[53] J Wang, Q Cheng and Z Tang. Layered nanocomposites inspired by the structure and mechanical properties of nacre. Chemical Society Reviews 2012; 41(3), 1111-1129.

[54] C Xu, G Wang, C Xing, LM Matuana and H Zhou. Effect of graphene oxide treatment on the properties of cellulose nanofibril films made of banana petiole fibers. BioResources 2015; 10(2), 2809-2822.

[55] R Sitko, M Musielak, B Zawisza, E Talik and A Gagor. Graphene oxide/cellulose membranes in adsorption of divalent metal ions. RSC Advances 2016; 6(99), 96595-96605.

[56] R Sahraei and M Ghaemy. Synthesis of modified gum tragacanth/graphene oxide composite hydrogel for heavy metal ions removal and preparation of silver nanocomposite for antibacterial activity. Carbohydrate Polymers 2017; 157, 823-833.

[57] G Zhao, X Ren, X Gao, X Tan, J Li, C Chen, Y Huang and X Wang. Removal of Pb(II) ions from aqueous solutions on few-layered graphene oxide nanosheets. Dalton Transactions 2011; 40(41), 10945-10952.

[58] AA Yakout, RH El-Sokkary, MA Shreadah and OGA Hamid. Cross-linked graphene oxide sheets via modified extracted cellulose with high metal adsorption. Carbohydrate Polymers 2017; 172, 20-27.

[59] J Wang, X Lu, PF Ng, KI Lee, B Fei, JH Xin and JY Wu. Polyethylenimine coated bacterial cellulose nanofiber membrane and application as adsorbent and catalyst. Journal of Colloid and Interface Science 2015; 440, 32-38.

[60] R Saravanan and L Ravikumar. The use of new chemically modified cellulose for heavy metal ion adsorption and antimicrobial activities. Journal of Water Resource and Protection 2015; 7(6), 530-545.